|
Processor system
|
CPU
|
Intel® Core™ fourth generation Haswell-U Soc i3/i5/i7 processor
|
CPU package
|
BGA
|
chipset
|
Intel® Haswell-U Series SOC
|
Bioses
|
EFI Bioses
|
RAM
|
Technology Architecture
|
Dual channel DDR3L 1066/1333/1600MHz
|
Slot
|
2 DDR3L SODIMM 204 Socket
|
video
|
Graphics controller
|
Intel HD Graphics 4400 (I3-4010U graphics card); graphics card model is related to the CPU
|
Mini-DP
|
Mini DP maximum resolution support 3200*2000@60HZ
|
HDMI
|
Maximum resolution support (HDMI1.4) 3200*2000@60HZ
|
Dual display support
|
HDMI+Mini DP synchronous or asynchronous display
|
I/O backplane
|
port
|
1*Mini DP, 1*HDMI, 1*LAN, 4*USB3.0/, 1*USB2.0, 1*MIC-OUT/LINE-OUT, 1* switch button (with indicator light), 1* infrared reception port
|
The internet
|
Controller
|
1 RTL8111E-V Gigabit LAN, RJ45 interface
|
Audio
|
Controller
|
Raychem HD ALC662 audio decoding (left and right channel + microphones)
|
Super I/O
|
Controller
|
IT8163E
|
Hardware monitoring
|
Watchdog timer
|
0-255 seconds, providing a watchdog routine
|
Cooler
|
Aluminum fan radiator
|
Input/output interface
|
USB
|
4*USB3.0 compatible with USB2.0 / 1.1, maximum support +5V/1A 3*USB2.0
|
Serial port
|
1 RS-232 or TTL level (choose one)
|
PS/2
|
no
|
Infrared
|
1 infrared receiving port
|
LPC
|
1 LPC pin expansion interface
|
Expansion bus
|
Mini-PCle
|
1 Mini-PCIe slot for PCIe and USB devices
|
storage
|
SATA
|
1 standard SATAIII interface, maximum transfer rate 6Gb/s
|
NGFF_SSD
|
1 NGFF_SSD interface (supports 42*22mm)
|
power supply
|
Power type
|
Single input DC power supply, DC12-19V, +/- 5%
|
Power consumption
|
35W
|
working environment
|
Operating temperature
|
-20℃ ~ +60℃
|
storage temperature
|
-40℃ ~ +85℃
|
Working humidity
|
0% ~ 90% relative humidity, no condensation
|
Storage humidity
|
0% ~ 90% relative humidity, no condensation
|
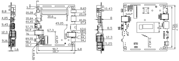
physical dimension
|
size
|
100*100mm
|
weigh
|
0.5KG
|
Certification
|
|
CE,ROHS,FCC
|